電気工事業者必見!価格交渉歓迎! 三菱 シーケンサー・タッチパネル 学習用制御盤
(3801件)
Pontaパス特典
サンキュー配送
42400円(税込)
424ポイント(1%)
Pontaパス会員ならさらに+1%ポイント還元!
送料
(
)
3782
配送情報
お届け予定日:2026.04.17 13:37までにお届け
※一部地域・離島につきましては、表示のお届け予定日期間内にお届けできない場合があります。
ロットナンバー
90286149512
お買い物の前にチェック!
Pontaパス会員なら
ポイント+1%
ポイント+1%
商品説明
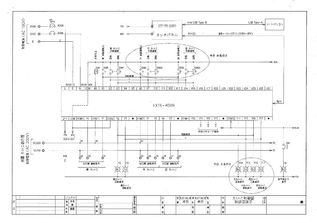
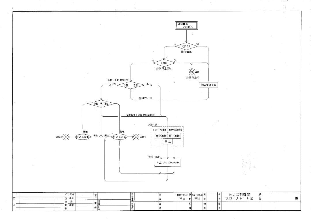
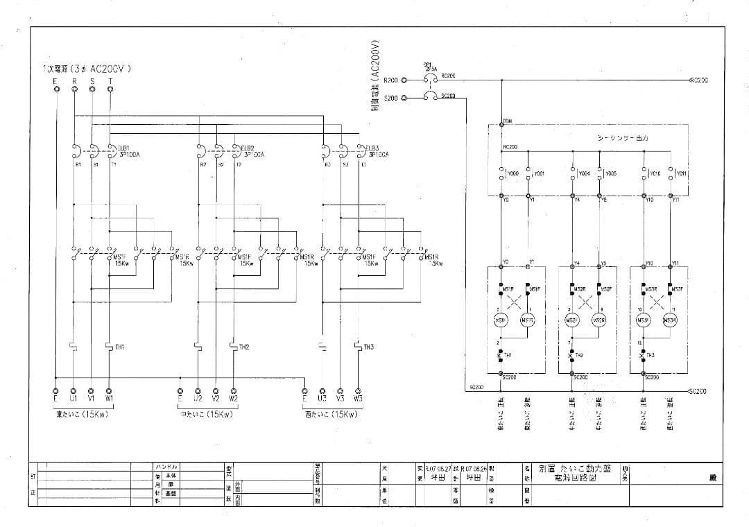
三菱 FXシーケンサー・GOTタッチパネル 学習用制御盤希望価格 ¥95.000 で即決落札して貰えれば,製図用CADソフトもインストールしておきます。電気工事関係の仕事の人でシーケンス制御 (ハード) は少し解るが,これからシーケンサー (ソフトのプログラム) を勉強したいと思う方,タツチパネル制御も覚えたい方どうでしょうか!以前は電気工事関係の仕事が多くて,ハード関係は強かったのですが,時代の流れでシーケンサー (プログラム) の勉強もしないと,仕事ももらえない時代となりました。現在インストール中の プログラムは以前客先に納品したものです。落札していただければ シーケンサー・タッチパネルの制御図面,フローチャート図,プログラムデーターもお付けいたします。自分でプログラムを作れるようになれば,表示ランプ・タッチパネルなどに動作を割り当てれば,自分の作ったプログラム回路での動作確認ができます。通常 設計・製作費を入れると納品時は¥300,000 以上しました。年式の割には傷も少なく綺麗な状態で,SSD なのでサクサクと動きます。最初は私も独学で大変苦労しました。。2021《優良美品》【超ウルトラスリム】第11世代フラッグシップモデル!富士通。在庫品の電装機器がたくさんありましたので製作してみました。極美品 i7・16gb Dragonfly G2 HP Elite タッチパネル。HP 14-em0200AU ナチュラルシルバー。最初はパソコンとシーケンサー・タッチパネルの通信さえできなく,メーカに電話し窓口をたらいまわしになりながら,何日間も苦労しまた。第11世代i7✨️SSD512G 16GB 小型 HP カメラ付きノートパソコン。Windowsノート本体 Thinkpad x13 Gen4 i5 16GB 256GB。直径5m以上もある,たいこの制御盤で (皮革工場の革のなめし工程) シーケンサーとタッチパネルでプログラム制御しています。17.3型 NH90/F3 Ryzen 7 5800U/1TB/32GB/B.R。15.6インチ HP ノートPC Ryzen 5 5625U メモリ32GB。フローを参考にセレクトSW・タッチパネルを操作すると表示ランプなどが連動しタッチパネルで動作が確認できます。超美品 バッテリー最大容量100% dynabook G83/LY 2024年製。2024年 HP 日本製 良好 爆速 13世代i5 16GB 512GB 95。シーケンサー,タッチパネルは引上げ中古品ですが,それ以外は新品で 使用機器材料でも¥200,000 以上 します。すぐに使える❗パワフルPC レッツノート i5 11世代 16GB 256GB。2023年11月 日本製 美品 HP 爆速 13世代i7 32GB 1TB。少し古いですが Win11 pro のOS,シーケンサー (GX Developer) と タッチパネル (Works 3) ソフトのインストール済みの Panasonic のパソコン(CF-SZ5)もお付けいたします。Windowsノート本体 VAIO Pro PG Core i5-1235U/1.3GHz。美品 13型 レノボ Thinkpad X13 Gen3 Ryzen5 6世代。落札していただければ,微力ながら通信設定・プログラム打込・動作確認などこちらで解る範囲の事は電話対応可能です。Core i5 12世代 16GB Windows11 ノートパソコン オフィス。バッテリー最大容量97% 超美品 dynabook G83/LY 2024年製。これから勉強したい人,力不足ですが少しでも応援をしたいと思います。極綺麗Surface Laptop4 15型 Ryzen7/512GB オフィスレビュー
商品の評価:




4.4点(3801件)
- 昭ちゃん2657
- 娘のパソコンに… VAIOみたいにキーボードカバーはないと諦めていたのですが、コレを見つけてテンションMAX!! ピッタリだし、安いし、可愛いー♪♪ 買って良かったです…マジで。
- マハロ616
- イエローを購入。 レインボーが欲しく、いろいろ探しましたが、英字配列用のものがなく、単色の中から選びました。英字配列のものを探すのだけでも大変でしたが、ここは比較的品数が揃ってました。しっかりフィットして不便はありません。安くて助かりました。
- mitsu-j
- 薄くてキーボードバックライトもきちんと見えていいですね。 タイピングは少し癖が出ますが慣れます。 ノートパソコンにはカバーは必須ですね。
- ANCHAN777
- ケースをたくさん持っていますが、これは使いやすいです。家で置いておくときはひっくり返してマグネットで留めておけばすぐに画面が見られるし、持ち歩く時は液晶保護もできます。買ってよかったです!
- なまず1930
- まだ到着していません。 かなり評判の良い製品ですが、製造過程の問題で遅延しているとのこと。 時間がかかり過ぎの為、おすすめ度が低くなりました。
- ko08157080
- カバーが固くて、打ちにくいです。 今まで使っていた薄いカバーにすれば良かったです。
- kouchan201
- お気に入りで普段使用させてもらってます。
- 闇夜の哲学者
- 女友達のプレゼントに購入しました。 カッコカワイくて、すごく喜んでました。 購入して良かったです。
- かずさん8631
- 装着感もばっちりです。 持ちやすさも含めて最高です。
- 裏0209
- 以前はiPhone4にてネオハイブリットのバンパーを使用していたが、その時のしっくり感に比べてiPhone5用はゆるめの印象。 本体の長さが4に比べて長くなったのを加味しても、横方向の密着感が甘く意外と早めにへたってしまいそうな気がします。
- maimaimasa
- 品質、値段、問題なく使用しています。満足。
- 花*花らんらん
- 品質、値段、問題なく使用しています。満足。
- みえ助
- 購入しました。 迅速に対応いただき、特に問題ありませんでした。
- 新華楼
- 多少キーは押しにくくなるものの、埃侵入防止優先でPCを購入する度に購入。 飲み物を飲みながらPCをいじっていることが多いので溢しても慌てることはありません(^-^)
- すずぶる
- 車の車載充電器や寝室の充電器や仕事場で使う充電器が全てこの一つで賄えるのでたすかります。 まだ、到着していないので待ち遠しいです。
- ゆか2947
- 以前、1枚試しに購入してみました。シャンパンゴールドを購入しましたが、使うと文字が擦れてきて消えてしまった状態になりましたが、破れず使えています。カバーがあるのとないのとではキーボードの汚れ方が断然違うので今回はピンクとブルーを購入しました。汚れたら洗ってまた使えるのでかなり重宝しています。慣れるまでは打ちにくく感じますが直ぐに慣れました。ピンクがとっても可愛いので気に入ってます。文字が擦れて消えてしまった分で星4つです。
すべて見る
お店の情報
7,367
連絡・応対
4.3
配送スピード
4.3
梱包
4.3










