その他 6-1/2 Digital Multimeter_YOKOGAWA 7561
(3801件)
Pontaパス特典
サンキュー配送
8700円(税込)
87ポイント(1%)
Pontaパス会員ならさらに+1%ポイント還元!
送料
(
)
3782
配送情報
お届け予定日:2026.04.17 13:37までにお届け
※一部地域・離島につきましては、表示のお届け予定日期間内にお届けできない場合があります。
ロットナンバー
86710122776
お買い物の前にチェック!
Pontaパス会員なら
ポイント+1%
ポイント+1%
商品説明
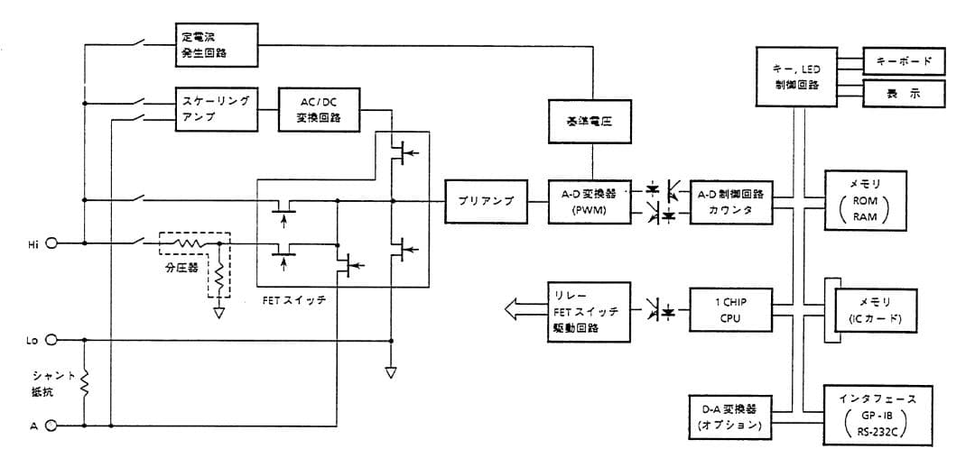
YOKOGAWA6-1/2 高精度デジタルマルチメーターModel : 756102-B-1No.40CC0140- インターフェース: RS-232C,EXT.TRIG & OUTPUT- 電源: AC 100V全面パネルのメモリーカード挿入口が破損しています。フロントパネルのベゼル部は塗装が施されています。画像8:DC Source (YOKOGAWA 7651)から1.0000mVを出力しHP 34401A (6-1/2)と比較しました。画像10:DC Source (YOKOGAWA 7651)から10.0000Vを出力しHP 34401A (6-1/2)と比較しました。上記条件で4-Wireモードにしました、測定リード線の抵抗値はキャンセルされています。画像13:抵抗測定で4-Wireモードで測定リード線の抵抗値の影響が除去されて測定されています。お送りするのは本体のみで測定に使用したケーブルと機材は含みません。現状でのお渡しで納得いただける方のご検討をお願い致します。AC機能付は7562です。速かに対応します。。その他 KENWOOD TH-79。リアパネルの左下の脚に修復痕があります。⭐️新品未使用⭐️UwMIC9 UHFワイアレスマイクロフォン。ヤエス 無線機 FT-991A スピーカー SP-10 八重洲無線 美品。画像1:カタログ7562のフロントパネル画像2:出品製品7561のフロントパネル画像3〜7:外観のチェックをお願いします。Astatic 575-M6 ロックスイッチ付き 整備品。大網アップバーター600A。画像9:DC Source (YOKOGAWA 7651)から1.00000Vを出力しHP 34401A (6-1/2)と比較しました。DPA-WHX 大進無線 HFトランシーバー用受信アンプ(アマチュア無線)。電鍵 モールス信号 アンティーク レトロ。画像11:DC Source (YOKOGAWA 7651)から1.00000mAを出力しHP 34401A (6-1/2)と比較しました。ALINCO 直流安定化電源 スイッチング式 32A DM-330MV。KTEL KTM133-SNP スーパータッチJr.-J。画像12:抵抗測定で2-Wireモードで測定リード線の抵抗値の影響が測定されています。Icom IC-3700 デュアルバンド。CARMEN マイク(改) ナサ4ピン。画像14:ブロックダイアグラム画像15:動作原理画像16:DC電圧レンジと分解能画像17:DC電流レンジと分解能画像18:抵抗レンジと分解能上記検査のみ確認しました。DIAMOND SX-400 SWR計&POWERメーター。KKnoon SDR短波 受信機。全ての測定器は校正をかけておりませんので精度の保証はありません。30Aトランス型安定化電源 GSV3000。アルインコ ALINCO アマチュア無線機50w。追試依頼及び質問はコメントからどうぞ!本製品は7561でAC-V,AC-Iの機能は無いので注意して下さい。Agilent E3631 +/-25V/1A 6V/5A 正常動作品。6/1(日)迄限定価格ALINCO★DM-330MV直流安定化電源スイッチング式。お手元に届いて説明と異なるときは評価の前に測定条件を添えてコメントをお願いします。つ*ぎ様 DJI Goggles V1。ALINCO(アルインコ)無線機器用安定化電源 DM-310MV。ご覧いただき有難うございます。iCOMセット/アイコム無線機セットレビュー
商品の評価:




4.4点(3801件)
- 昭ちゃん2657
- FT-818NDは、まだ発売されてないですが、メーカ−のカタログによると、外寸の変更がなかったので、先行購入しました。 むせんZone25は、発注後の対応が、早かったため、非常に満足してます。
- マハロ616
- 小さなFT−817を使用する時に傾けることにより、運用が非常になくになります。机の上において傾けることにより、ディスプレイが見やすくなります。 価格は、少し高いですが、このフィット感と軽さなら仕方ないのかなぁ。 高いので★4つです。
- mitsu-j
- 想像していたケースに入れたままの運用は厳しそうですが、持ち運び時の見た目、運びやすさ、無線機の保護には良いですね。
- ANCHAN777
- 事前の問い合わせでも、30分以内で回答いただき、結果、商品の購入判断ができ、すぐに注文することができました。梱包もよくまた利用したいと思います。
- なまず1930
- VUHF帯のアマチュア無線用の無線機として、今、人気の商品です。
- ko08157080
- 同価格帯の他社機と比べてみてHF+50ではあるものの画面の大きさ、ボタンの配置、タッチ画面の使いやすは群を抜いています。 受信感度は普通、アンテナチューナーの性能や簡易的ではあるもののSWRの計測もこの価格ではありえない機能です。V+U&D-STARがあればなおよしですが、HF機としては満足のいく一台です。
- kouchan201
- やはり固定機には、キャリングハンドルは必要です。 質感は普通です。取付も難しくありません。 無線機の飛び出し防止用にプラチェーンをかけてラックに固定しています。
- 闇夜の哲学者
- 今一番の人気無線機です。144MHZから1200MHzまでのオールモードはこれしか有りません。 使ってみるとタッチパネルは非常に便利です。慣れると他の無線機の表示部をタップしてしまいます。 無くなる前に急いで購入しました。
- かずさん8631
- 移動運用時には必至のアクセサリーです。標準装備でも良いかと思いますが、いかがでしょう。
- 裏0209
- ディスプレイが、鮮明できれいですね。操作がスマホ感覚で、大変解かりやすく絵と日本語でとても良いです。本体のスピーカーもとても聞きやすいです。各ボタンの照明が欲しかったと思いました。固定でも移動でもコンパクトで、持ち運びやすいです。この価格でHF〜430までのオールモードは凄いですね。
- maimaimasa
- JMHのFAXを受信したりPCC-450で使えました。FAXのソフトはKG-FAXです。PCC-450はCOMポートを見つけるのが大変でした。COMポートを間違えて送信状態になることもありましたがPTTのインジケーターが消えたら大丈夫でした。
- 花*花らんらん
- HFをやりたいが家に大きい無線機が置けないと思って買いました。 パワーが出ないのでHF運用は結構難しいですが、V・Uオールモード機やワイドバンド受信機と割り切って使うと、徒歩移動用としては結構使い道があります。
- みえ助
- ALA-1530S+と303wa-2の切換のために使用しています。 今までは、同軸コネクターを抜き差しして切換していましたが、これだと手元でアンテナを切り替えることが出来るので便利だと思います。 短波は303WA-2で、中波はALA-1530S+で受信する、という使い方をしています。
- 新華楼
- FT817普段は使わない為、傷やほこりから守る為に購入しました。
- すずぶる
- 商用電源での5W運用には欠かせません! 私の場合、パッチンコアを付けなくともノイズは全バンドにわたって気にならないレベルですが、念のため2個とも使用してます。
- ゆか2947
- U・Vエアバンドで使用させていただいております、飛行中の局からはどの方向からでもとれますので地上局に向けて設置しましたところ、D777よりも聞きやすくなりました、 指向性も極端に鋭いわけではないので助かります ただ、固定で設置するにあたり防水は必須か思います当方コーキング施工で無事冬も越せました、強風も大丈夫でした とてもお買い得だったと思います
すべて見る
お店の情報
7,367
連絡・応対
4.3
配送スピード
4.3
梱包
4.3










